- 集团网站
- 选择区域/语言
登录
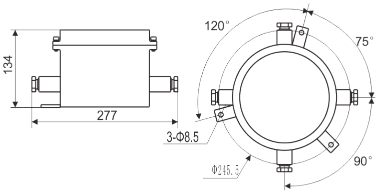
型号 |
CH-FB201B |
材质 |
304不锈钢或者316L |
内腔尺寸 |
160*125mm |
外形尺寸 |
277(L)*134(H)mm |
出线规格 |
4 个 G-3/4// 出线孔 |
电气连接 |
最多 8-pin 接线端子 |
电压额定 |
250V/20A |
入线项径 |
22~14AWG |
安装方式 |
室内、室外壁挂安装 |
重量 |
约 4.6kg |
防护等级 |
IP67 |
